При оформлении заказа, Вы сообщаете менеджеру ТОО «КАСТОН» о необходимости заключения Договора. ТОО «КАСТОН» предоставляет на рассмотрение свой шаблон, либо принимает на рассмотрение Ваш.
Описание
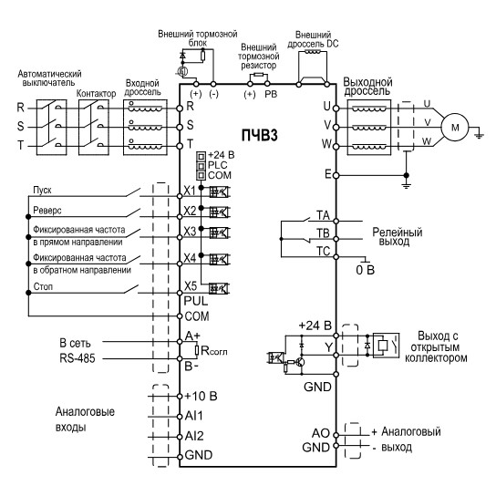
Основные функциональные возможности
- Векторный датчиковый и бездатчиковый, а также скалярный режим управления двигателем
- Автоматическая адаптация двигателя без вращения.
- Автоматическая оптимизация энергопотребления.
- Компенсация нагрузки и скольжения.
- Возможность динамического торможения, в том числе с применением тормозных резисторов.
- Встроенный ПИД-регулятор для управления в замкнутом контуре (поддержание давления, температуры, уровня и т.д.).
- Плавный пуск и останов двигателя, в том числе отложенный запуск и пуск под нагрузкой по S-образной характеристике разгона.
- Управление по различным интерфейсам – загрузка или настройка ПО, мониторинг состояния ПЧВ.
Дополнительные платы расширения:
- для работы с энкодерами (5 В/12 В);
- для работы с резольверами;
- для работы по протоколу PROFIBUS;
- для работы по протоколу PROFINET;
- для работы по протоколу CANopen;
- для работы по протоколу EtherCAT;
- для работы по протоколу Modbus TCP;
- для расширения входов/выходов.
Полная функциональная и аппаратная диагностика и защита работы преобразователя, а именно:
- Контроль напряжения сети/цепи АД.
- Перегрузка/перегрев ПЧВ/АД.
- Изоляция/пробой ПЧВ/АД.
- Защита от обрыва фазы питания/фазного провода двигателя;
Модификации

Комплектность
- Преобразователь частоты
- Встроенная локальная панель оператора
- Краткое руководство(КР)
- Паспорт
- Гарантийный талон
Характеристики
670 А
3х380В
3х380В
Векторное управление с замкнутым контуром, Векторное управление с разомкнутым контуром, Скалярный (U/f)
1 транзисторный(24В, 50мА)
2(0…10В/4…20мА)
1(0…10В/4…20мА)
355 кВт
20
RS485 (MODBUS SERIAL)
-10…+40
Нет
120% (35 с)
Да
167
Да
1 год
Нет
1250х400х545
Нет
Нет
Вентилятор/Дымосос, Конвейер, Мельница, Мешалка/Миксер, Насос, Общепромышленное, Экструдер
CANopen, EtherNet/IP
С цифровым индикатором (несъемный)
Кастон — самый выгодный частотный привод!
- Выгодная цена
- Самый большой выбор со склада в Казахстане
- Свой сервисный центр, полная техподдержка навсегда
- Возврат или замена за наш счет
- Бесплатная доставка из рук в руки
Способы оплаты
- Безналичный перевод по выставленному счету на оплату
- Безналичный перевод с банковской карты
- Наличный расчет в нашем офисе при получении товара
Бухгалтерские документы высылаем с товаром. В случае оплаты безналичным расчетом доставка товара производится после подтверждения транзакции банком ТОО «КАСТОН». После получения подтверждения с Вами свяжется наш менеджер.
В случае возникновения вопросов, пожалуйста, обращайтесь любым удобным для Вас способом по указанным контактам.
Бухгалтерские документы предоставляются по всем оплаченным заказам.
При физической доставке товара, бухгалтерские документы Вы получите вместе с товаром.
В случае, если по каким-либо причинам не удалось передать документы вместе с товаром, документы высылаем на почтовый адрес, указанный при оформлении.
Прием онлайн-заказов осуществляется круглосуточно.
Обработка заказов и физическая доставка осуществляются по рабочим дням, с 9 до 18 часов (по времени Нур-Султан).
Способы доставки
- Самовывоз (бесплатно)
- Курьерская доставка*
- Общественным транспортом (автобус, такси)*
*— доставка осуществляется бесплатно по Республике Казахстан.
- В случае непредвиденных обстоятельств, мешающих Вам получить заказ в выбранное время, необходимо связаться с нами по указанным контактам и определить другое время доставки.
- Если оператор не может дозвониться по указанному Вами телефону в течение 5-ти рабочих дней, Ваш заказ аннулируется. В случае невозможности дождаться звонка, пожалуйста, свяжитесь с нами самостоятельно по указанным контактам.
По договоренности с менеджером ТОО «КАСТОН» Вы сможете забрать свой заказ по адресу: город Караганда, ул. Памирская 48. Обратите внимание, что необходимо заранее сообщить о своем прибытии.
— Курьерская служба оставляет за собой право проверять правильность указанной Клиентом контактной информации.
— Курьер не уполномочен давать какие-либо консультации на технические или коммерческие темы, а также выполнять любые поручения клиента.
— Разгрузка и подъем габаритного груза осуществляется силами Заказчика, либо по договоренности с менеджером ТОО «КАСТОН»
— При получении товара в транспортной компании просьба предельно внимательно отнестись к проверке качества товара, а также к проверке на соответствие получаемого оборудования товарной накладной.
— В случае обнаружения механических повреждений и/или несоответствия количеству позиций товарной накладной необходимо составить коммерческий акт с подробной описью полученного товара. Составление коммерческого акта – непосредственная обязанность сотрудников транспортной компании. Копию акта вместе с подробными фотографиями необходимо в кратчайшие сроки (1-2 дня) отправить на info@kaston.kz, а также на почту вашего персонального менеджера.
— Претензии по поставке оборудования принимаются в срок не более 2 (двух) рабочих дней с момента получения оборудования.
Обращаем ваше внимание, что осуществление доставки – отдельная услуга, не являющаяся неотъемлемой частью приобретаемого Покупателем товара, выполнение которой заканчивается в момент получения клиентом товара и его оплаты.
Претензии к качеству приобретенного товара, возникшие после этого, рассматриваются в соответствии с Законом РК «О защите прав потребителей» и гарантийными обязательствами Продавца товара. В связи с этим приобретение товара с доставкой не дает Покупателю права требования доставки приобретенного товара в целях гарантийного обслуживания или замены, не дает возможности осуществлять гарантийное обслуживание или замену товара посредством выезда к Покупателю и не подразумевает возможности возврата стоимости доставки товара в случаях, когда Покупатель имеет право на возврат денег за товар как таковой, в соответствии с Законом РК «О защите прав потребителей».
При получении товара юридическими лицами необходима доверенность на право получения товарно-материальных ценностей (ТМЦ) на представителя покупателя при предъявлении документа, удостоверяющего личность.
При получении товара индивидуальными предпринимателями необходима печать или копия свидетельства о регистрации предпринимателя, копия удостоверения личности предпринимателя.
При получении товара доверенным лицом ИП, необходим оригинал доверенности, оформленной на лицо, получающее товар, копия свидетельства о регистрации предпринимателя, копия удостоверения личности предпринимателя, удостоверение личности доверенного лица.
При получении товара физическими лицами обязательным является предъявление удостоверения личности покупателя.
Документы
технологическое решение для вашего бизнеса.







