При оформлении заказа, Вы сообщаете менеджеру ТОО «КАСТОН» о необходимости заключения Договора. ТОО «КАСТОН» предоставляет на рассмотрение свой шаблон, либо принимает на рассмотрение Ваш.
Описание
Серия общепромышленных преобразователей частоты, с диапазоном мощностей от 0,75 до 710 кВт. Современный дизайн, компактное исполнение. Более 3 тысяч различных мощностей этой серии уже установлены в Казахстане. И используются в следующих приложениях: насосы, конвейера, компрессоры, вентиляторы, токарные станки, ГПМ, стенды СДТ, упаковочные машины, вибраторы, дробилки, питатели, мешалки, экструдеры, промышленные стиральные машины.
Основные функциональные возможности
- Тормозной транзистор (тормозной прерыватель) встроен в моделях до: 22 кВт (включительно);
- Настраиваемое время разгона и торможения: 0…60 000 с;
- Выбор кривой разгона/торможения: линейная или S-образная;
- Режимы управления электродвигателем: векторный (с датчиком обратной связи VC или без датчика обратной связи SVC) и скалярный (V/f);
- Автонастройка электродвигателя: статическая или с вращением двигателя;
- Режим экономии электроэнергии для насосов и вентиляторов;
- Встроенный ПИД-регулятор для поддержания заданной величины в автоматическом режиме (давление, температура и т.д.);
- Простой ПЛК для задания циклов работы (16 шагов, для каждого выбирается время, скорость и направление);
- Многоскоростной режим: до 16 скоростей;
- Блоки сравнения (bit, real);
- Виртуальное реле с настраиваемой задержкой на вкл/выкл;
- Торможение постоянным током;
- Запуск с подхватом на вращающийся двигатель;
- Встроенный счетчик;
- Два набора параметров электродвигателя;
- Дроссель в звене постоянного тока встроен у моделей: от 220 кВт и выше;
- Обеспечение защит: по току, напряжению, от потери фаз вход/выход, от перегрева преобразователя частоты, от перегрева электродвигателя (опционально);
- Поддерживаются платы расширения: энкодерные (PG), входов/выходов (I/O), коммуникационные (CANopen).
Основные параметры
- Питание: 3×380 В (-15…+10 %);
- Перегрузочная способность: G-тип (тяжелый тип нагрузки) — 60 сек при 150 %, P-тип (легкий тип нагрузки) — 60 сек при 120 %;
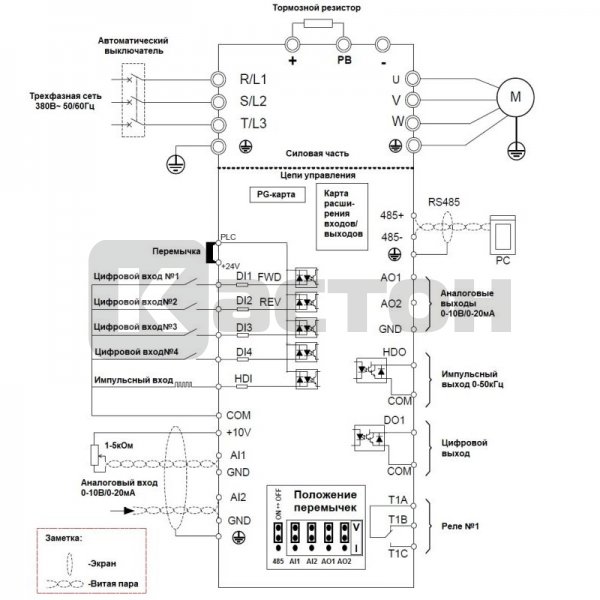
- Встроенный коммуникационный интерфейс: RS-485, протокол Modbus RTU;
- Количество дискретных входов: 5;
- Количество высокоскоростных импульсных входов: 1 (до 50 кГц);
- Количество дискретных выходов: 3 (1 — типа «открытый коллектор», высокоскоростной до 50 кГц; 1 — типа «открытый коллектор»; 1 — релейный, с «перекидным контактом»);
- Количество аналоговых входов: 2 (поддержка масштабируемого сигнала 0…10 В или 0…20 мА);
- Количество аналоговых выходов: 2 (поддержка масштабируемого сигнала 0…10 В или 0…20 мА);
- Максимально допустимая длина моторного кабеля (без использования дополнительного оборудования): 50 метров неэкранированного кабеля;
- Выходная частота: 0.00…600.00 Гц (V/f), 0.00…200.00 Гц (SVC), 0.00…400.00 Гц (VC);
- Диапазон регулирования: 1:100 (V/f), 1:200 (SVC), 1:1000 (VC);
- Точность поддержания скорости: ±0.5 % (V/f), ±0.2 % (SVC), ±0.02 % (VC);
- Точность поддержания крутящего момента: 10% до 5 Гц и 5% выше 5 Гц (SVC), 3.0% (VC).
Модификации

Комплектность
- Преобразователь частоты;
- Руководство по эксплуатации (на английском языке);
- Руководство по быстрому старту (на русском языке);
- Гарантийный талон.
Характеристики
13 (G — тип) / 17 (P — тип)
3х380В
3х380В
5
Векторное управление с замкнутым контуром, Векторное управление с разомкнутым контуром, Скалярный (U/f)
3
2 (0~10В/0~20мА)
2 (0~10В/0~20мА)
5,5 кВт
20
RS485 (MODBUS SERIAL)
-10…+40
Опция
150% (G – тип) 60сек / 120% (P – тип) 60сек
Да
3,0
Да
36 месяцев
Опция
250х130х180 мм
Синхронизация по моменту
Нет
Вентилятор/Дымосос, Грохот, Дробилка, Компрессор, Конвейер, Мельница, Мешалка/Миксер, Насос, Общепромышленное, Питатель, Привод передвижения крана, Сепаратор, Экструдер
С цифровым индикатором (съемный)
Кастон — самый выгодный частотный привод!
- Выгодная цена
- Самый большой выбор со склада в Казахстане
- Свой сервисный центр, полная техподдержка навсегда
- Возврат или замена за наш счет
- Бесплатная доставка из рук в руки
Способы оплаты
- Безналичный перевод по выставленному счету на оплату
- Безналичный перевод с банковской карты
- Наличный расчет в нашем офисе при получении товара
Бухгалтерские документы высылаем с товаром. В случае оплаты безналичным расчетом доставка товара производится после подтверждения транзакции банком ТОО «КАСТОН». После получения подтверждения с Вами свяжется наш менеджер.
В случае возникновения вопросов, пожалуйста, обращайтесь любым удобным для Вас способом по указанным контактам.
Бухгалтерские документы предоставляются по всем оплаченным заказам.
При физической доставке товара, бухгалтерские документы Вы получите вместе с товаром.
В случае, если по каким-либо причинам не удалось передать документы вместе с товаром, документы высылаем на почтовый адрес, указанный при оформлении.
Прием онлайн-заказов осуществляется круглосуточно.
Обработка заказов и физическая доставка осуществляются по рабочим дням, с 9 до 18 часов (по времени Нур-Султан).
Способы доставки
- Самовывоз (бесплатно)
- Курьерская доставка*
- Общественным транспортом (автобус, такси)*
*— доставка осуществляется бесплатно по Республике Казахстан.
- В случае непредвиденных обстоятельств, мешающих Вам получить заказ в выбранное время, необходимо связаться с нами по указанным контактам и определить другое время доставки.
- Если оператор не может дозвониться по указанному Вами телефону в течение 5-ти рабочих дней, Ваш заказ аннулируется. В случае невозможности дождаться звонка, пожалуйста, свяжитесь с нами самостоятельно по указанным контактам.
По договоренности с менеджером ТОО «КАСТОН» Вы сможете забрать свой заказ по адресу: город Караганда, ул. Памирская 48. Обратите внимание, что необходимо заранее сообщить о своем прибытии.
— Курьерская служба оставляет за собой право проверять правильность указанной Клиентом контактной информации.
— Курьер не уполномочен давать какие-либо консультации на технические или коммерческие темы, а также выполнять любые поручения клиента.
— Разгрузка и подъем габаритного груза осуществляется силами Заказчика, либо по договоренности с менеджером ТОО «КАСТОН»
— При получении товара в транспортной компании просьба предельно внимательно отнестись к проверке качества товара, а также к проверке на соответствие получаемого оборудования товарной накладной.
— В случае обнаружения механических повреждений и/или несоответствия количеству позиций товарной накладной необходимо составить коммерческий акт с подробной описью полученного товара. Составление коммерческого акта – непосредственная обязанность сотрудников транспортной компании. Копию акта вместе с подробными фотографиями необходимо в кратчайшие сроки (1-2 дня) отправить на info@kaston.kz, а также на почту вашего персонального менеджера.
— Претензии по поставке оборудования принимаются в срок не более 2 (двух) рабочих дней с момента получения оборудования.
Обращаем ваше внимание, что осуществление доставки – отдельная услуга, не являющаяся неотъемлемой частью приобретаемого Покупателем товара, выполнение которой заканчивается в момент получения клиентом товара и его оплаты.
Претензии к качеству приобретенного товара, возникшие после этого, рассматриваются в соответствии с Законом РК «О защите прав потребителей» и гарантийными обязательствами Продавца товара. В связи с этим приобретение товара с доставкой не дает Покупателю права требования доставки приобретенного товара в целях гарантийного обслуживания или замены, не дает возможности осуществлять гарантийное обслуживание или замену товара посредством выезда к Покупателю и не подразумевает возможности возврата стоимости доставки товара в случаях, когда Покупатель имеет право на возврат денег за товар как таковой, в соответствии с Законом РК «О защите прав потребителей».
При получении товара юридическими лицами необходима доверенность на право получения товарно-материальных ценностей (ТМЦ) на представителя покупателя при предъявлении документа, удостоверяющего личность.
При получении товара индивидуальными предпринимателями необходима печать или копия свидетельства о регистрации предпринимателя, копия удостоверения личности предпринимателя.
При получении товара доверенным лицом ИП, необходим оригинал доверенности, оформленной на лицо, получающее товар, копия свидетельства о регистрации предпринимателя, копия удостоверения личности предпринимателя, удостоверение личности доверенного лица.
При получении товара физическими лицами обязательным является предъявление удостоверения личности покупателя.
Документы
технологическое решение для вашего бизнеса.







