+7 (705) 571-80-30
г. Караганда, ул. Памирская, 48 zapros@kaston.kz
Избранное Сравнение
Описание
Характеристики
Видео
Преимущества
Оплата
Доставка

Описание

Серия общепромышленных преобразователей частоты, с диапазоном мощностей от 0,75 до 710 кВт. Современный дизайн, компактное исполнение. Более 3 тысяч различных мощностей этой серии уже установлены в Казахстане. И используются в следующих приложениях: насосы, конвейера, компрессоры, вентиляторы, токарные станки, ГПМ, стенды СДТ, упаковочные машины, вибраторы, дробилки, питатели, мешалки, экструдеры, промышленные стиральные машины.

Основные функциональные возможности

  • Тормозной транзистор (тормозной прерыватель) встроен в моделях до: 22 кВт (включительно);
  • Настраиваемое время разгона и торможения: 0…60 000 с;
  • Выбор кривой разгона/торможения: линейная или S-образная;
  • Режимы управления электродвигателем: векторный (с датчиком обратной связи VC или без датчика обратной связи SVC) и скалярный (V/f);
  • Автонастройка электродвигателя: статическая или с вращением двигателя;
  • Режим экономии электроэнергии для насосов и вентиляторов;
  • Встроенный ПИД-регулятор для поддержания заданной величины в автоматическом режиме (давление, температура и т.д.);
  • Простой ПЛК для задания циклов работы (16 шагов, для каждого выбирается время, скорость и направление);
  • Многоскоростной режим: до 16 скоростей;
  • Блоки сравнения (bit, real);
  • Виртуальное реле с настраиваемой задержкой на вкл/выкл;
  • Торможение постоянным током;
  • Запуск с подхватом на вращающийся двигатель;
  • Встроенный счетчик;
  • Два набора параметров электродвигателя;
  • Дроссель в звене постоянного тока встроен у моделей: от 220 кВт и выше;
  • Обеспечение защит: по току, напряжению, от потери фаз вход/выход, от перегрева преобразователя частоты, от перегрева электродвигателя (опционально);
  • Поддерживаются платы расширения: энкодерные (PG), входов/выходов (I/O), коммуникационные (CANopen).

Основные параметры

  • Питание: 3×380 В (-15…+10 %);
  • Перегрузочная способность: G-тип (тяжелый тип нагрузки) — 60 сек при 150 %, P-тип (легкий тип нагрузки) — 60 сек при 120 %;
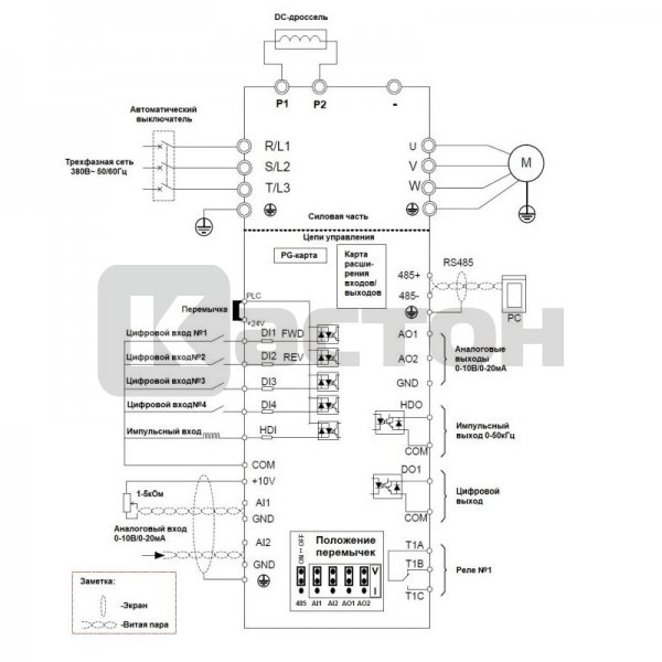
  • Встроенный коммуникационный интерфейс: RS-485, протокол Modbus RTU;
  • Количество дискретных входов: 5;
  • Количество высокоскоростных импульсных входов: 1 (до 50 кГц);
  • Количество дискретных выходов: 3 (1 — типа «открытый коллектор», высокоскоростной до 50 кГц; 1 — типа «открытый коллектор»; 1 — релейный, с «перекидным контактом»);
  • Количество аналоговых входов: 2 (поддержка масштабируемого сигнала 0…10 В или 0…20 мА);
  • Количество аналоговых выходов: 2 (поддержка масштабируемого сигнала 0…10 В или 0…20 мА);
  • Максимально допустимая длина моторного кабеля (без использования дополнительного оборудования): 50 метров неэкранированного кабеля;
  • Выходная частота: 0.00…600.00 Гц (V/f), 0.00…200.00 Гц (SVC), 0.00…400.00 Гц (VC);
  • Диапазон регулирования: 1:100 (V/f), 1:200 (SVC), 1:1000 (VC);
  • Точность поддержания скорости: ±0.5 % (V/f), ±0.2 % (SVC), ±0.02 % (VC);
  • Точность поддержания крутящего момента: 10% до 5 Гц и 5% выше 5 Гц (SVC), 3.0% (VC).

Модификации

Обозначение при заказе VFD500

Комплектность

  • Преобразователь частоты;
  • Руководство по эксплуатации (на английском языке);
  • Руководство по быстрому старту (на русском языке);
  • Гарантийный талон.

Характеристики

Ток, А

585 (G — тип) / 650 (P — тип)

Вход

3х380В

Выход

3х380В

Кол-во дискретных входов

5

Тип управления

Векторное управление с замкнутым контуром, Векторное управление с разомкнутым контуром, Скалярный (U/f)

Кол-во дискретных выходов

3

Кол-во аналоговых входов

2 (0~10В/0~20мА)

Кол-во аналоговых выходов

2 (0~10В/0~20мА)

Мощность

315 кВт

Степень защиты оболочки, IP

20

Встроенные коммуникационные интерфейсы

RS485 (MODBUS SERIAL)

Температура эксплуатации, °C

-10…+40

Встроенный потенциометр

Опция

Перегрузочная способность

150% (G – тип) 60сек / 120% (P – тип) 60сек

Тормозной прерыватель

Нет

Режим многоскоростного управления

Да

Гарантия

36 месяцев

Управление внешним тормозом

Опция

Функция синхронизации

Синхронизация по моменту

Функция анти-раскачки

Нет

Применение

Вентилятор/Дымосос, Грохот, Дробилка, Компрессор, Конвейер, Мельница, Мешалка/Миксер, Насос, Общепромышленное, Питатель, Привод передвижения крана, Сепаратор, Экструдер

Пульт управления

С цифровым индикатором (съемный)

Видео

Кастон — самый выгодный частотный привод!

  • Выгодная цена
  • Самый большой выбор со склада в Казахстане
  • Свой сервисный центр, полная техподдержка навсегда
  • Возврат или замена за наш счет
  • Бесплатная доставка из рук в руки

Способы оплаты

  • Безналичный перевод по выставленному счету на оплату
  • Безналичный перевод с банковской карты
  • Наличный расчет в нашем офисе при получении товара

Бухгалтерские документы высылаем с товаром. В случае оплаты безналичным расчетом доставка товара производится после подтверждения транзакции банком ТОО «КАСТОН». После получения подтверждения с Вами свяжется наш менеджер.

В случае возникновения вопросов, пожалуйста, обращайтесь любым удобным для Вас способом по указанным контактам.

Для оформления сделки Вам нужен договор. Как его получить?

При оформлении заказа, Вы сообщаете менеджеру ТОО «КАСТОН» о необходимости заключения Договора. ТОО «КАСТОН» предоставляет на рассмотрение свой шаблон, либо принимает на рассмотрение Ваш.

Как получить бухгалтерские документы?

Бухгалтерские документы предоставляются по всем оплаченным заказам.
При физической доставке товара, бухгалтерские документы Вы получите вместе с товаром.
В случае, если по каким-либо причинам не удалось передать документы вместе с товаром, документы высылаем на почтовый адрес, указанный при оформлении.

График работы интернет-магазина ТОО "КАСТОН"

Прием онлайн-заказов осуществляется круглосуточно.
Обработка заказов и физическая доставка осуществляются по рабочим дням, с 9 до 18 часов (по времени Нур-Султан).

Способы доставки

  • Самовывоз (бесплатно)
  • Курьерская доставка*
  • Общественным транспортом (автобус, такси)*

*— доставка осуществляется бесплатно по Республике Казахстан.

  • В случае непредвиденных обстоятельств, мешающих Вам получить заказ в выбранное время, необходимо связаться с нами по указанным контактам и определить другое время доставки.
  • Если оператор не может дозвониться по указанному Вами телефону в течение 5-ти рабочих дней, Ваш заказ аннулируется. В случае невозможности дождаться звонка, пожалуйста, свяжитесь с нами самостоятельно по указанным контактам.
Условия самовывоза

По договоренности с менеджером ТОО «КАСТОН» Вы сможете забрать свой заказ по адресу: город Караганда, ул. Памирская 48. Обратите внимание, что необходимо заранее сообщить о своем прибытии.

Условия курьерской доставки

— Курьерская служба оставляет за собой право проверять правильность указанной Клиентом контактной информации.

— Курьер не уполномочен давать какие-либо консультации на технические или коммерческие темы, а также выполнять любые поручения клиента.

— Разгрузка и подъем габаритного груза осуществляется силами Заказчика, либо по договоренности с менеджером ТОО «КАСТОН»

Особенности получения товара при доставке через транспортную компанию

— При получении товара в транспортной компании просьба предельно внимательно отнестись к проверке качества товара, а также к проверке на соответствие получаемого оборудования товарной накладной.

— В случае обнаружения механических повреждений и/или несоответствия количеству позиций товарной накладной необходимо составить коммерческий акт с подробной описью полученного товара. Составление коммерческого акта – непосредственная обязанность сотрудников транспортной компании. Копию акта вместе с подробными фотографиями необходимо в кратчайшие сроки (1-2 дня) отправить на  info@kaston.kz, а также на почту вашего персонального менеджера.

— Претензии по поставке оборудования принимаются в срок не более 2 (двух) рабочих дней с момента получения оборудования.

Обращаем ваше внимание, что осуществление доставки – отдельная услуга, не являющаяся неотъемлемой частью приобретаемого Покупателем товара, выполнение которой заканчивается в момент получения клиентом товара и его оплаты.

Претензии к качеству приобретенного товара, возникшие после этого, рассматриваются в соответствии с Законом РК «О защите прав потребителей» и гарантийными обязательствами Продавца товара. В связи с этим приобретение товара с доставкой не дает Покупателю права требования доставки приобретенного товара в целях гарантийного обслуживания или замены, не дает возможности осуществлять гарантийное обслуживание или замену товара посредством выезда к Покупателю и не подразумевает возможности возврата стоимости доставки товара в случаях, когда Покупатель имеет право на возврат денег за товар как таковой, в соответствии с Законом РК «О защите прав потребителей».

Получение и прием товара юридическими лицами

При получении товара юридическими лицами необходима доверенность на право получения товарно-материальных ценностей (ТМЦ) на представителя покупателя при предъявлении документа, удостоверяющего личность.

Получение и прием товара индивидуальными предпринимателями

При получении товара индивидуальными предпринимателями необходима печать или копия свидетельства о регистрации предпринимателя, копия удостоверения личности предпринимателя.
При получении товара доверенным лицом ИП, необходим оригинал доверенности, оформленной на лицо, получающее товар, копия свидетельства о регистрации предпринимателя, копия удостоверения личности предпринимателя, удостоверение личности доверенного лица.

Получение и прием товара физическими лицами

При получении товара физическими лицами обязательным является предъявление удостоверения личности покупателя.

Документы

PDF Развернутое тех. описание ПЧ VFD500 на 315кВт
783.3 Кб
Скачать
PDF Руководство по эксплуатации ПЧ VFD500 (Rev.1.3)_Rus
4.61 Мб
Скачать
PDF Быстрый старт ПЧ VFD500-380В от 4 кВт
2.36 Мб
Скачать
Нужна консультация?
Оставьте заявку, и мы подберем лучшее
технологическое решение для вашего бизнеса.