При оформлении заказа, Вы сообщаете менеджеру ТОО «КАСТОН» о необходимости заключения Договора. ТОО «КАСТОН» предоставляет на рассмотрение свой шаблон, либо принимает на рассмотрение Ваш.
Описание
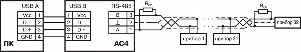
ОВЕН АС4 предназначен для взаимного преобразования сигналов интерфейсов USB и RS-485. Позволяет подключать к промышленной информационной сети RS-485 персональный компьютер, имеющий USB-порт.
Основные функции преобразователя интерфейсов ОВЕН АС4
- Взаимное преобразование сигналов интерфейсов RS-485 и USB;
- Автоматическое определение направления передачи данных;
- Гальваническая изоляция интерфейсов;
- Создание виртуального сом-порта при подключении прибора к ПК, что позволяет без дополнительной адаптации использовать информационные системы (SCADA, конфигураторы), работающие с аппаратным СОМ-портом;
- Питание от шины USB;
- Встроенные согласующие резисторы.
Поддерживаемые операционные системы
- Windows XP/Server 2003/Vista/7/8/8.1/10;
- Mac OS X;
- Linux 2.6.x/3.x.x.
Технические характеристики
- Входное напряжение питания DC: 4,75…5,25 В;
- Класс защиты по ГОСТ 12.2.007.0-75: III;
- Потребляемая мощность: 0,5 Вт;
- Электрическая прочность изоляции: 1500 В;
- Стандарт интерфейса USB: USB 2.0;
- Разъем интерфейса USB: тип В;
- Передаваемые сигналы по интерфейсу USB: D+, D-;
- Стандарт интерфейса RS485: EIA/TIA-485;
- Разъем интерфейса RS485: клеммы;
- Передаваемые сигналы по интерфейсу RS485: A(Data+), B(Data-);
- Максимальная скорость передачи данных по интерфейсу RS485: 115200 бит/с;
- Максимальная длина линии связи по интерфейсу RS485: 1200 м;
- Максимальное количество приборов: 32 шт;
- Максимальное количество приборов с использованием повторителей интерфейса RS-485, например, АС5: 247 шт;
- Температура окружающего воздуха: -20…+75 °С;
- Температура транспортировки и хранения: -25…+55 °С;
- Относительная влажность воздуха (при температуре +25 °С и ниже): не более 80 (без конденсации влаги);
- Высота над уровнем моря: 1000 м.
Комплектность
- Прибор;
- Паспорт и Гарантийный талон;
- Руководство по эксплуатации;
- Кабель USB 2.0 A-B.
Характеристики
DIN-рейка
20
-20…+75
0,065
36×93×57
Преобразователь интерфейса
USB
A(Data+), B(Data-)
Кастон — самый выгодный частотный привод!
- Выгодная цена
- Самый большой выбор со склада в Казахстане
- Свой сервисный центр, полная техподдержка навсегда
- Возврат или замена за наш счет
- Бесплатная доставка из рук в руки
Способы оплаты
- Безналичный перевод по выставленному счету на оплату
- Безналичный перевод с банковской карты
- Наличный расчет в нашем офисе при получении товара
Бухгалтерские документы высылаем с товаром. В случае оплаты безналичным расчетом доставка товара производится после подтверждения транзакции банком ТОО «КАСТОН». После получения подтверждения с Вами свяжется наш менеджер.
В случае возникновения вопросов, пожалуйста, обращайтесь любым удобным для Вас способом по указанным контактам.
Бухгалтерские документы предоставляются по всем оплаченным заказам.
При физической доставке товара, бухгалтерские документы Вы получите вместе с товаром.
В случае, если по каким-либо причинам не удалось передать документы вместе с товаром, документы высылаем на почтовый адрес, указанный при оформлении.
Прием онлайн-заказов осуществляется круглосуточно.
Обработка заказов и физическая доставка осуществляются по рабочим дням, с 9 до 18 часов (по времени Нур-Султан).
Способы доставки
- Самовывоз (бесплатно)
- Курьерская доставка*
- Общественным транспортом (автобус, такси)*
*— доставка осуществляется бесплатно по Республике Казахстан.
- В случае непредвиденных обстоятельств, мешающих Вам получить заказ в выбранное время, необходимо связаться с нами по указанным контактам и определить другое время доставки.
- Если оператор не может дозвониться по указанному Вами телефону в течение 5-ти рабочих дней, Ваш заказ аннулируется. В случае невозможности дождаться звонка, пожалуйста, свяжитесь с нами самостоятельно по указанным контактам.
По договоренности с менеджером ТОО «КАСТОН» Вы сможете забрать свой заказ по адресу: город Караганда, ул. Памирская 48. Обратите внимание, что необходимо заранее сообщить о своем прибытии.
— Курьерская служба оставляет за собой право проверять правильность указанной Клиентом контактной информации.
— Курьер не уполномочен давать какие-либо консультации на технические или коммерческие темы, а также выполнять любые поручения клиента.
— Разгрузка и подъем габаритного груза осуществляется силами Заказчика, либо по договоренности с менеджером ТОО «КАСТОН»
— При получении товара в транспортной компании просьба предельно внимательно отнестись к проверке качества товара, а также к проверке на соответствие получаемого оборудования товарной накладной.
— В случае обнаружения механических повреждений и/или несоответствия количеству позиций товарной накладной необходимо составить коммерческий акт с подробной описью полученного товара. Составление коммерческого акта – непосредственная обязанность сотрудников транспортной компании. Копию акта вместе с подробными фотографиями необходимо в кратчайшие сроки (1-2 дня) отправить на info@kaston.kz, а также на почту вашего персонального менеджера.
— Претензии по поставке оборудования принимаются в срок не более 2 (двух) рабочих дней с момента получения оборудования.
Обращаем ваше внимание, что осуществление доставки – отдельная услуга, не являющаяся неотъемлемой частью приобретаемого Покупателем товара, выполнение которой заканчивается в момент получения клиентом товара и его оплаты.
Претензии к качеству приобретенного товара, возникшие после этого, рассматриваются в соответствии с Законом РК «О защите прав потребителей» и гарантийными обязательствами Продавца товара. В связи с этим приобретение товара с доставкой не дает Покупателю права требования доставки приобретенного товара в целях гарантийного обслуживания или замены, не дает возможности осуществлять гарантийное обслуживание или замену товара посредством выезда к Покупателю и не подразумевает возможности возврата стоимости доставки товара в случаях, когда Покупатель имеет право на возврат денег за товар как таковой, в соответствии с Законом РК «О защите прав потребителей».
При получении товара юридическими лицами необходима доверенность на право получения товарно-материальных ценностей (ТМЦ) на представителя покупателя при предъявлении документа, удостоверяющего личность.
При получении товара индивидуальными предпринимателями необходима печать или копия свидетельства о регистрации предпринимателя, копия удостоверения личности предпринимателя.
При получении товара доверенным лицом ИП, необходим оригинал доверенности, оформленной на лицо, получающее товар, копия свидетельства о регистрации предпринимателя, копия удостоверения личности предпринимателя, удостоверение личности доверенного лица.
При получении товара физическими лицами обязательным является предъявление удостоверения личности покупателя.
Документы
технологическое решение для вашего бизнеса.







