При оформлении заказа, Вы сообщаете менеджеру ТОО «КАСТОН» о необходимости заключения Договора. ТОО «КАСТОН» предоставляет на рассмотрение свой шаблон, либо принимает на рассмотрение Ваш.
Описание
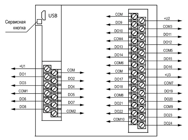
Используются для расширения сигналов контроллера ОВЕН ПЛК210.
Коммуникационные возможности
- Интерфейс: Сдвоенный Ethernet 10/100 Mbit;
- Интерфейс конфигурирования: USB 2.0 (MicroUSB), Ethernet (RJ-45);
- Поддерживаемые протоколы: Modbus TCP (до 4-х одновременных соединений); MQTT; SNMP; NTP.
Особенности
- Выходы могут работать в режиме генерации ШИМ-сигналов;
- Сдвоенный 2-х портовый Ethernet-коммутатор;
- Поддержка технологии Ethernet Bypass позволяет передавать данные из одного порта в другой и не терять связь с остальными модулями при возникновении нештатной ситуации;
- Широкий диапазон рабочих температур: -40…+55 °С;
- Непрерывный профиль измерений во внутреннюю flash память (архив);
- Поддержка облачного сервиса OwenCloud.
Технические характеристики
- Количество входов: 8 DO;
- Тип выходов: электромагнитное реле;
- Ток коммутации DO: 5 А (при напряжении не более 250 В, 50 Гц и cosφ>0,4), 3 А (при постоянном напряжении не более 30 В);
- Максимальное напряжение на контакты реле DO: 250 В переменного напряжения, 30 В постоянного напряжения;
- Напряжение питания: =10…48 (номинальное =24) В;
- Потребляемая мощность: не более 9 Вт при питании =24 В;
- Защита от переполюсовки: Есть;
- Габаритные размеры: (42×124×83) ±1 мм;
- Степень защиты: IP20;
- Монтаж: на DIN-рейку / на стену;
- Температура окружающего воздуха: -40…+55 °С;
- Относительная влажность воздуха (при +25 °С и ниже без конденсации влаги):не более 80 %
- Часы реального времени: есть;
- Тип питания: батарея CR2032;
- Время работы часов реального времени на одной батарее: 6 лет.
Характеристики
24шт
Подвесной (настенный)
20
EtherNet/IP
-40…+55
0,6
124×82×83
=24В
Модуль дискретных выходов
Кастон — самый выгодный частотный привод!
- Выгодная цена
- Самый большой выбор со склада в Казахстане
- Свой сервисный центр, полная техподдержка навсегда
- Возврат или замена за наш счет
- Бесплатная доставка из рук в руки
Способы оплаты
- Безналичный перевод по выставленному счету на оплату
- Безналичный перевод с банковской карты
- Наличный расчет в нашем офисе при получении товара
Бухгалтерские документы высылаем с товаром. В случае оплаты безналичным расчетом доставка товара производится после подтверждения транзакции банком ТОО «КАСТОН». После получения подтверждения с Вами свяжется наш менеджер.
В случае возникновения вопросов, пожалуйста, обращайтесь любым удобным для Вас способом по указанным контактам.
Бухгалтерские документы предоставляются по всем оплаченным заказам.
При физической доставке товара, бухгалтерские документы Вы получите вместе с товаром.
В случае, если по каким-либо причинам не удалось передать документы вместе с товаром, документы высылаем на почтовый адрес, указанный при оформлении.
Прием онлайн-заказов осуществляется круглосуточно.
Обработка заказов и физическая доставка осуществляются по рабочим дням, с 9 до 18 часов (по времени Нур-Султан).
Способы доставки
- Самовывоз (бесплатно)
- Курьерская доставка*
- Общественным транспортом (автобус, такси)*
*— доставка осуществляется бесплатно по Республике Казахстан.
- В случае непредвиденных обстоятельств, мешающих Вам получить заказ в выбранное время, необходимо связаться с нами по указанным контактам и определить другое время доставки.
- Если оператор не может дозвониться по указанному Вами телефону в течение 5-ти рабочих дней, Ваш заказ аннулируется. В случае невозможности дождаться звонка, пожалуйста, свяжитесь с нами самостоятельно по указанным контактам.
По договоренности с менеджером ТОО «КАСТОН» Вы сможете забрать свой заказ по адресу: город Караганда, ул. Памирская 48. Обратите внимание, что необходимо заранее сообщить о своем прибытии.
— Курьерская служба оставляет за собой право проверять правильность указанной Клиентом контактной информации.
— Курьер не уполномочен давать какие-либо консультации на технические или коммерческие темы, а также выполнять любые поручения клиента.
— Разгрузка и подъем габаритного груза осуществляется силами Заказчика, либо по договоренности с менеджером ТОО «КАСТОН»
— При получении товара в транспортной компании просьба предельно внимательно отнестись к проверке качества товара, а также к проверке на соответствие получаемого оборудования товарной накладной.
— В случае обнаружения механических повреждений и/или несоответствия количеству позиций товарной накладной необходимо составить коммерческий акт с подробной описью полученного товара. Составление коммерческого акта – непосредственная обязанность сотрудников транспортной компании. Копию акта вместе с подробными фотографиями необходимо в кратчайшие сроки (1-2 дня) отправить на info@kaston.kz, а также на почту вашего персонального менеджера.
— Претензии по поставке оборудования принимаются в срок не более 2 (двух) рабочих дней с момента получения оборудования.
Обращаем ваше внимание, что осуществление доставки – отдельная услуга, не являющаяся неотъемлемой частью приобретаемого Покупателем товара, выполнение которой заканчивается в момент получения клиентом товара и его оплаты.
Претензии к качеству приобретенного товара, возникшие после этого, рассматриваются в соответствии с Законом РК «О защите прав потребителей» и гарантийными обязательствами Продавца товара. В связи с этим приобретение товара с доставкой не дает Покупателю права требования доставки приобретенного товара в целях гарантийного обслуживания или замены, не дает возможности осуществлять гарантийное обслуживание или замену товара посредством выезда к Покупателю и не подразумевает возможности возврата стоимости доставки товара в случаях, когда Покупатель имеет право на возврат денег за товар как таковой, в соответствии с Законом РК «О защите прав потребителей».
При получении товара юридическими лицами необходима доверенность на право получения товарно-материальных ценностей (ТМЦ) на представителя покупателя при предъявлении документа, удостоверяющего личность.
При получении товара индивидуальными предпринимателями необходима печать или копия свидетельства о регистрации предпринимателя, копия удостоверения личности предпринимателя.
При получении товара доверенным лицом ИП, необходим оригинал доверенности, оформленной на лицо, получающее товар, копия свидетельства о регистрации предпринимателя, копия удостоверения личности предпринимателя, удостоверение личности доверенного лица.
При получении товара физическими лицами обязательным является предъявление удостоверения личности покупателя.
Документы
технологическое решение для вашего бизнеса.



![ПР200-220.25.1.0[M01] программируемое реле с дисплеем](https://kaston.kairbekov.com/wp-content/uploads/2025/07/3.1_2_3_pr200-220_vid-21-300x300.jpeg)



