При оформлении заказа, Вы сообщаете менеджеру ТОО «КАСТОН» о необходимости заключения Договора. ТОО «КАСТОН» предоставляет на рассмотрение свой шаблон, либо принимает на рассмотрение Ваш.
Описание
Особенности и преимущества
- Процессор ARM® Cortex-A8 с частотой 800 МГц.
- Большой объем памяти: ROM 512 Мбайт (NAND), RAM 256 Мбайт (DDR3), RETAIN 64 Кбайт (MRAM).
- Операционная система Linux с RT-патчем.
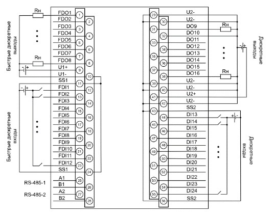
- Поддержка быстрых входов/выходов до 95 кГц на выделенном PRU.
- Расширенные коммуникационные возможности
- Ethernet дает ряд преимуществ: высокая скорость опроса, мультимастерность, вариативная топология сети.
- Поддержка промышленных протоколов Modbus RTU/ASCII/TCP, OPC UA (Server), MQTT (client/broker), SNMP (Manager/Agent).
- Поддержка протоколов тепло- и электросчетчиков, возможность реализации нестандартных протоколов.
Поддержка GSM/GPRS-модемов
- Поддержка прикладных протоколов NTP, FTP, FTPS, HTTP, HTTPS, SSH, SMTP/IMAP/POP3, OpenVPN, WireGuard.
- Возможность подключения к СУБД MySQL и MsSQL.
- Поддержка Web-визуализации CODESYS.
- Web-интерфейс для настройки и диагностики контроллера.
- Простое подключение к OwenCloud.
Увеличенная надежность
- Двойной ввод питания для резервирования по питанию.
- Поддержка кольцевой топологии Ethernet при подключении модулей Мх210 (STP/RSTP).
- Встроенный Firewall.
Эргономичный корпус
- Крепление на DIN-рейку или на стену.
- Съемные клеммники с невыпадающими винтами.
- Удобная система укладки кабеля.
- Легко заменяемая батарея CR2032, тумблер Старт/Стоп и разъем для MicroSD-карты под крышкой.
- Эксплуатация в тяжелых условиях
- Расширенный диапазон питающего напряжения: =10…48 В.
- Расширенный диапазон температуры окружающей среды: -40…+55 °С.
Модификации

Характеристики
24 (pnp, npn, = 24В)
16 (8 э/м реле, 8 транзисторов)
Подвесной (настенный)
20
RS485 (MODBUS SERIAL), EtherNet/IP
-40…+55
1,2
124×105×83
=24В
Программируемый логический контроллер
Кастон — самый выгодный частотный привод!
- Выгодная цена
- Самый большой выбор со склада в Казахстане
- Свой сервисный центр, полная техподдержка навсегда
- Возврат или замена за наш счет
- Бесплатная доставка из рук в руки
Способы оплаты
- Безналичный перевод по выставленному счету на оплату
- Безналичный перевод с банковской карты
- Наличный расчет в нашем офисе при получении товара
Бухгалтерские документы высылаем с товаром. В случае оплаты безналичным расчетом доставка товара производится после подтверждения транзакции банком ТОО «КАСТОН». После получения подтверждения с Вами свяжется наш менеджер.
В случае возникновения вопросов, пожалуйста, обращайтесь любым удобным для Вас способом по указанным контактам.
Бухгалтерские документы предоставляются по всем оплаченным заказам.
При физической доставке товара, бухгалтерские документы Вы получите вместе с товаром.
В случае, если по каким-либо причинам не удалось передать документы вместе с товаром, документы высылаем на почтовый адрес, указанный при оформлении.
Прием онлайн-заказов осуществляется круглосуточно.
Обработка заказов и физическая доставка осуществляются по рабочим дням, с 9 до 18 часов (по времени Нур-Султан).
Способы доставки
- Самовывоз (бесплатно)
- Курьерская доставка*
- Общественным транспортом (автобус, такси)*
*— доставка осуществляется бесплатно по Республике Казахстан.
- В случае непредвиденных обстоятельств, мешающих Вам получить заказ в выбранное время, необходимо связаться с нами по указанным контактам и определить другое время доставки.
- Если оператор не может дозвониться по указанному Вами телефону в течение 5-ти рабочих дней, Ваш заказ аннулируется. В случае невозможности дождаться звонка, пожалуйста, свяжитесь с нами самостоятельно по указанным контактам.
По договоренности с менеджером ТОО «КАСТОН» Вы сможете забрать свой заказ по адресу: город Караганда, ул. Памирская 48. Обратите внимание, что необходимо заранее сообщить о своем прибытии.
— Курьерская служба оставляет за собой право проверять правильность указанной Клиентом контактной информации.
— Курьер не уполномочен давать какие-либо консультации на технические или коммерческие темы, а также выполнять любые поручения клиента.
— Разгрузка и подъем габаритного груза осуществляется силами Заказчика, либо по договоренности с менеджером ТОО «КАСТОН»
— При получении товара в транспортной компании просьба предельно внимательно отнестись к проверке качества товара, а также к проверке на соответствие получаемого оборудования товарной накладной.
— В случае обнаружения механических повреждений и/или несоответствия количеству позиций товарной накладной необходимо составить коммерческий акт с подробной описью полученного товара. Составление коммерческого акта – непосредственная обязанность сотрудников транспортной компании. Копию акта вместе с подробными фотографиями необходимо в кратчайшие сроки (1-2 дня) отправить на info@kaston.kz, а также на почту вашего персонального менеджера.
— Претензии по поставке оборудования принимаются в срок не более 2 (двух) рабочих дней с момента получения оборудования.
Обращаем ваше внимание, что осуществление доставки – отдельная услуга, не являющаяся неотъемлемой частью приобретаемого Покупателем товара, выполнение которой заканчивается в момент получения клиентом товара и его оплаты.
Претензии к качеству приобретенного товара, возникшие после этого, рассматриваются в соответствии с Законом РК «О защите прав потребителей» и гарантийными обязательствами Продавца товара. В связи с этим приобретение товара с доставкой не дает Покупателю права требования доставки приобретенного товара в целях гарантийного обслуживания или замены, не дает возможности осуществлять гарантийное обслуживание или замену товара посредством выезда к Покупателю и не подразумевает возможности возврата стоимости доставки товара в случаях, когда Покупатель имеет право на возврат денег за товар как таковой, в соответствии с Законом РК «О защите прав потребителей».
При получении товара юридическими лицами необходима доверенность на право получения товарно-материальных ценностей (ТМЦ) на представителя покупателя при предъявлении документа, удостоверяющего личность.
При получении товара индивидуальными предпринимателями необходима печать или копия свидетельства о регистрации предпринимателя, копия удостоверения личности предпринимателя.
При получении товара доверенным лицом ИП, необходим оригинал доверенности, оформленной на лицо, получающее товар, копия свидетельства о регистрации предпринимателя, копия удостоверения личности предпринимателя, удостоверение личности доверенного лица.
При получении товара физическими лицами обязательным является предъявление удостоверения личности покупателя.
Документы
технологическое решение для вашего бизнеса.







