При оформлении заказа, Вы сообщаете менеджеру ТОО «КАСТОН» о необходимости заключения Договора. ТОО «КАСТОН» предоставляет на рассмотрение свой шаблон, либо принимает на рассмотрение Ваш.
Описание
Особенности и преимущества
- Высокая производительность
- Процессор ARM® Cortex-A8 с частотой 800 МГц.
- Большой объем памяти:
- ROM 512 Мбайт (NAND).
- RAM 256 Мбайт (DDR3).
- RETAIN 64 Кбайт (MRAM).
- Операционная система Linux с RT-патчем.
- Поддержка быстрых входов/выходов до 95 кГц на выделенном PRU.
- Эргономичный корпус
- Крепление на DIN-рейку или на стену.
- Съемные клеммники с невыпадающими винтами.
- Удобная система укладки кабеля.
- Тумблер Старт/Стоп и разъем для MicroSD-карты под крышкой.
Коммуникационные возможности
- Ethernet дает ряд преимуществ:
- высокая скорость опроса;
- мультимастерность;
- вариативная топология сети.
- Поддержка промышленных протоколов Modbus RTU/ASCII/TCP, OPC UA (Server), MQTT (client/broker), SNMP (Manager/Agent)
- Поддержка протоколов тепло- и электросчетчиков, возможность реализации нестандартных протоколов
- Поддержка GSM/GPRS-модемов
- Поддержка прикладных протоколов NTP, FTP, FTPS, HTTP, HTTPS, SSH, SMTP/IMAP/POP3, OpenVPN, WireGuard
- Возможность подключения к СУБД MySQL и MsSQL
- Встроенный Firewall.
- Поддержка Web-визуализации CODESYS.
- Web-интерфейс для настройки и диагностики контроллера.
- Простое подключение к OwenCloud.
Эксплуатация в тяжелых условиях
Расширенный диапазон температуры окружающей среды: -40…+55 °С.
- Напряжение питания: от 10 до 48 В (номинальное 24 В)
- Потребляемая мощность, не более: 13 Вт;
- Защита от переполюсовки: есть;
- Центральный процессор: RISC-процессор Texas Instruments Sitara AM3358, 800 МГц;
- Объем флеш-памяти (тип памяти): 512 Мбайт (NAND) доступно для хранения файлов и архивов;
- Объем оперативной памяти (тип памяти): 256 Мбайт (DDR3);
- Объем Retain-памяти (тип памяти): 64 Кбайт (MRAM);
- Время выполнения пустого цикла (стабилизированное): 3 мс;
- Интерфейсы связи Ethernet 100 Base-T: 2 × Ethernet 10/100 Мбит/c (RJ45);
- Поддерживаемые промышленные протоколы: Modbus-TCP (Master / Slave), OPC UA (Server), MQTT (Client/Broker), SNMP (Manager/Agent);
- Поддерживаемые прикладные протоколы: NTP, FTP, FTPS, HTTP, HTTPS, SSH, SMTP/IMAP/POP3, OpenVPN, WireGuard;
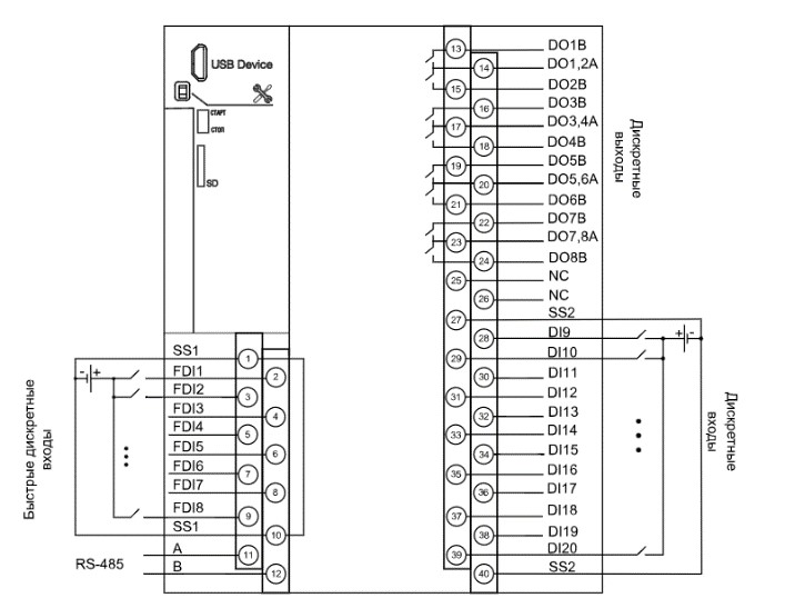
- Интерфейс RS-485: 1;
- Поддерживаемые протоколы: Modbus RTU (Master / Slave), Modbus ASCII (Master / Slave), ОВЕН (Master), Протоколы тепло- и электросчетчиков;
- Скорость передачи: 1200, 2400, 4800, 9600, 19200, 38400, 57600, 115200 бит/с;
- Подтягивающие резисторы: есть;
- Интерфейс USB Device: 1 × micro USB (RNDIS);
- Поддерживаемые протоколы: CODESYS Gateway, FTP, SSH, HTTP, HTTPS;
- Подключаемые накопители: SD (1 разъём);
- Поддерживаемые устройства: microSD;
- Максимальная ёмкость 4 ГБ (microSD), 32 ГБ (microSDHC), 512 ГБ (microSDXC);
- Поддерживаемые файловые системы: FAT16, FAT32, ext4, NTFS (read only);
- Часы реального времени: есть;
- Погрешность хода, не более: при температуре +25 °С 3 секунды в сутки;
- Тип источника питания: батарея CR2032;
- Срок работы на одной батарее: 5 лет;
- Габаритные размеры: (82 × 124 × 83) ±1 мм;
- Масса, не более: 0,6 кг;
- Степень защиты корпуса по ГОСТ 14254–96: IP20;
- Индикация на передней панели: светодиодная;
- Встроенное оборудование: источник звукового сигнала, двухпозиционный тумблер СТАРТ / СТОП, сервисная кнопка;
- Средняя наработка на отказ: 60 000 ч;
- Средний срок службы: 8 лет;
- Быстрые дискретные входы (FDI): 8шт;
- Режимы работы: определение логического уровня, счётчик высокочастотных импульсов, измерение частоты, обработка сигналов энкодера;
- Подключаемые входные устройства: контактные датчики, трехпроводные датчики, имеющие на выходе транзистор n-p-n- или p-n-p-типа с открытым коллектором, контактные датчики, трехпроводные датчики, имеющие на выходе транзистор n-p-n- или p-n-p-типа с открытым коллектором, AB и ABZ энкодеры;
- Максимальная частота входного сигнала: 95кГц;
- Тип входов по ГОСТ Р 61131: 1;
- Максимальный ток «логической единицы»: 5,5 мА;
- Максимальный ток «логического нуля»: 1,2 мА;
- Напряжение «логической единицы»: 9…30 В;
- Напряжение «логического нуля»: 0…5,5 В;
- Дискретные выходы (DO) типа электромагнитное реле: 14;
- Тип контакта: нормально-разомкнутый контакт;
- Режимы работы: генерация заданного количества импульсов, переключение логического состояния;
- Ток коммутации: 5 А (при напряжении не более 250 В (СКЗ), 50 Гц, резистивная нагрузка), 3 А (при постоянном напряжении не более 30 В, резистивная нагрузка).
Модификации
Характеристики
20 (pnp, npn, = 24В)
8 (э/м реле)
Подвесной (настенный)
20
RS485 (MODBUS SERIAL), EtherNet/IP
-40…+55
0,6
124×82×83
=24В
Программируемый логический контроллер
Кастон — самый выгодный частотный привод!
- Выгодная цена
- Самый большой выбор со склада в Казахстане
- Свой сервисный центр, полная техподдержка навсегда
- Возврат или замена за наш счет
- Бесплатная доставка из рук в руки
Способы оплаты
- Безналичный перевод по выставленному счету на оплату
- Безналичный перевод с банковской карты
- Наличный расчет в нашем офисе при получении товара
Бухгалтерские документы высылаем с товаром. В случае оплаты безналичным расчетом доставка товара производится после подтверждения транзакции банком ТОО «КАСТОН». После получения подтверждения с Вами свяжется наш менеджер.
В случае возникновения вопросов, пожалуйста, обращайтесь любым удобным для Вас способом по указанным контактам.
Бухгалтерские документы предоставляются по всем оплаченным заказам.
При физической доставке товара, бухгалтерские документы Вы получите вместе с товаром.
В случае, если по каким-либо причинам не удалось передать документы вместе с товаром, документы высылаем на почтовый адрес, указанный при оформлении.
Прием онлайн-заказов осуществляется круглосуточно.
Обработка заказов и физическая доставка осуществляются по рабочим дням, с 9 до 18 часов (по времени Нур-Султан).
Способы доставки
- Самовывоз (бесплатно)
- Курьерская доставка*
- Общественным транспортом (автобус, такси)*
*— доставка осуществляется бесплатно по Республике Казахстан.
- В случае непредвиденных обстоятельств, мешающих Вам получить заказ в выбранное время, необходимо связаться с нами по указанным контактам и определить другое время доставки.
- Если оператор не может дозвониться по указанному Вами телефону в течение 5-ти рабочих дней, Ваш заказ аннулируется. В случае невозможности дождаться звонка, пожалуйста, свяжитесь с нами самостоятельно по указанным контактам.
По договоренности с менеджером ТОО «КАСТОН» Вы сможете забрать свой заказ по адресу: город Караганда, ул. Памирская 48. Обратите внимание, что необходимо заранее сообщить о своем прибытии.
— Курьерская служба оставляет за собой право проверять правильность указанной Клиентом контактной информации.
— Курьер не уполномочен давать какие-либо консультации на технические или коммерческие темы, а также выполнять любые поручения клиента.
— Разгрузка и подъем габаритного груза осуществляется силами Заказчика, либо по договоренности с менеджером ТОО «КАСТОН»
— При получении товара в транспортной компании просьба предельно внимательно отнестись к проверке качества товара, а также к проверке на соответствие получаемого оборудования товарной накладной.
— В случае обнаружения механических повреждений и/или несоответствия количеству позиций товарной накладной необходимо составить коммерческий акт с подробной описью полученного товара. Составление коммерческого акта – непосредственная обязанность сотрудников транспортной компании. Копию акта вместе с подробными фотографиями необходимо в кратчайшие сроки (1-2 дня) отправить на info@kaston.kz, а также на почту вашего персонального менеджера.
— Претензии по поставке оборудования принимаются в срок не более 2 (двух) рабочих дней с момента получения оборудования.
Обращаем ваше внимание, что осуществление доставки – отдельная услуга, не являющаяся неотъемлемой частью приобретаемого Покупателем товара, выполнение которой заканчивается в момент получения клиентом товара и его оплаты.
Претензии к качеству приобретенного товара, возникшие после этого, рассматриваются в соответствии с Законом РК «О защите прав потребителей» и гарантийными обязательствами Продавца товара. В связи с этим приобретение товара с доставкой не дает Покупателю права требования доставки приобретенного товара в целях гарантийного обслуживания или замены, не дает возможности осуществлять гарантийное обслуживание или замену товара посредством выезда к Покупателю и не подразумевает возможности возврата стоимости доставки товара в случаях, когда Покупатель имеет право на возврат денег за товар как таковой, в соответствии с Законом РК «О защите прав потребителей».
При получении товара юридическими лицами необходима доверенность на право получения товарно-материальных ценностей (ТМЦ) на представителя покупателя при предъявлении документа, удостоверяющего личность.
При получении товара индивидуальными предпринимателями необходима печать или копия свидетельства о регистрации предпринимателя, копия удостоверения личности предпринимателя.
При получении товара доверенным лицом ИП, необходим оригинал доверенности, оформленной на лицо, получающее товар, копия свидетельства о регистрации предпринимателя, копия удостоверения личности предпринимателя, удостоверение личности доверенного лица.
При получении товара физическими лицами обязательным является предъявление удостоверения личности покупателя.
Документы
технологическое решение для вашего бизнеса.







