При оформлении заказа, Вы сообщаете менеджеру ТОО «КАСТОН» о необходимости заключения Договора. ТОО «КАСТОН» предоставляет на рассмотрение свой шаблон, либо принимает на рассмотрение Ваш.
Описание
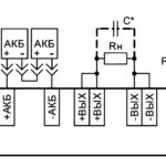
ИБП60Б рассчитан на питание нагрузки не более 2 А. Может применяться в шкафах автоматики совместно с приборами и датчиками для обеспечения бесперебойного питания.
Дополнительно блок питания может быть укомплектован свинцово-кислотными аккумуляторными батареями АКБ (позиция Аккумулятор 12В 7АЧ). Аккумуляторы не входят в комплект поставки и приобретаются отдельно.
Преимущества
- Блок питания и блок резервирования в одном корпусе.
- Удобный монтаж и пусконаладка (возможность старта от АКБ при отсутствии сети).
- Дискретный выход для передачи состояния ИБП на верхний уровень.
- Оптимальный заряд АКБ с ограничением тока заряда.
- Полная защита нагрузки и АКБ.
Функциональные возможности
- Питание нагрузки стабилизированным напряжением (при наличии напряжения питающей сети) или с использованием аккумуляторных батарей (АКБ).
- Автоматический переход на резервное питание нагрузки от АКБ постоянным напряжением при отключении напряжения питающей сети или понижении его уровня ниже допустимого.
- Холодный старт (запуск в работу от аккумулятора по кнопке при отсутствии сети) при первом старте, замене аккумулятора и т.п.
- Защита прибора и нагрузки от короткого замыкания (КЗ) в нагрузке с отключением выходного напряжения, и автоматическое восстановление выходного напряжения после устранения причин замыкания.
- Защита от короткого замыкания клемм АКБ.
- Защита прибора и нагрузки от неправильного подключения (переполюсовки) клемм АКБ.
- Контроль наличия внешней АКБ.
- Защита АКБ от глубокого разряда в случае отсутствия напряжения питающей сети (нагрузка отключается от АКБ при снижении напряжения на клеммах батареи до критического уровня).
- Защита питающей сети от короткого замыкания в приборе.
- Оптимальный заряд АКБ с ограничением тока заряда при наличии напряжения питающей сети.
- Световая индикация режимов работы прибора.
- Информационный выход АВАРИЯ («сухой» контакт).
Технические характеристики
- Выходное напряжение при питании от сети (от АКБ): 26,5…27,5 В (20,4…26,0 В);
- Номинальный выходной ток, не более: 2А;
- Номинальная мощность: 60 Вт (включая 12 Вт на заряд АКБ);
- Размах напряжения шума и пульсаций (межпиковое) при номинальном токе нагрузки и заряда, не более: 80 мВ;
- Время пуска, не более: 2 с;
- Питание от сети : ~110…264В (45…65 Гц), =130…370 В;
- Питание от АКБ: 20,4…27,6 В;
- Номинальный ток потребления от сети (от АКБ), не более: 1,1 А (2,1 А);
- Пусковой ток, не более: 25 А;
- КПД, не менее: без АКБ или при подключенной заряженной АКБ 83 %, при подключенной разряженной АКБ 75 %;
- Максимальная потребляемая мощность, не более: 90 Вт;
- Защиты: от повышенного/пониженного входного напряжения;
- Переход на питание от АКБ при Uвх < ~ 85 В и при Uвх > ~ 280 В возврат на питание от сети при Uвх = ~ 110…264 В;
- Тип защиты от перегрузки – ограничение выходного тока: порог ограничения выходного тока 2,1…2,7А;
- Устойчивость к механическим воздействиям по ГОСТ Р 52931: N2;
- Устойчивость к электромагнитным воздействиям по ГОСТ 51317.4: Критерий качества А;
- Уровень электромагнитной эмиссии по порту питания по ГОСТ 32132.3: Класс Б;
- Степень защиты по ГОСТ 14254: IP20;
- Класс защиты от поражения электрическим током по ГОСТ IEC 61140: II;
- Изоляция по ГОСТ 12.2.091: Усиленная;
- Категория перенапряжения по ГОСТ Р 50571.19: II;
- Степень загрязнения по ГОСТ Р 50030.1: 2;
- Рабочий диапазон температур окружающей среды: -20…+50 °С;
- Температура хранения и транспортирования: -40…+50 °С;
- Относительная влажность при 25 °С, не более: 80 % без конденсации влаги;
- Атмосферное давление: 84…106,7 кПа;
- Рекомендуемая ёмкость АКБ: 2…10 А-ч;
- Время переключения с/на АКБ, не более: 5 мс
- Срок эксплуатации: 10 лет
- Срок гарантийного обслуживания, не менее: 5 лет
- Средняя наработка на отказ: 50 000 ч
- Масса, не более: 0,5 кг
- Характеристики дискретного выхода АВАРИЯ: ток не более 0,6 А при напряжении не более 30 В
Характеристики
2А
DIN-рейка
20
-20…+50
0,5
90×157×58
60Вт (включая 12Вт на зарядку АКБ)
~110…264 В (45…65 Гц), = 130…370В
Блок питания с возможностью подключения АКБ
Кастон — самый выгодный частотный привод!
- Выгодная цена
- Самый большой выбор со склада в Казахстане
- Свой сервисный центр, полная техподдержка навсегда
- Возврат или замена за наш счет
- Бесплатная доставка из рук в руки
Способы оплаты
- Безналичный перевод по выставленному счету на оплату
- Безналичный перевод с банковской карты
- Наличный расчет в нашем офисе при получении товара
Бухгалтерские документы высылаем с товаром. В случае оплаты безналичным расчетом доставка товара производится после подтверждения транзакции банком ТОО «КАСТОН». После получения подтверждения с Вами свяжется наш менеджер.
В случае возникновения вопросов, пожалуйста, обращайтесь любым удобным для Вас способом по указанным контактам.
Бухгалтерские документы предоставляются по всем оплаченным заказам.
При физической доставке товара, бухгалтерские документы Вы получите вместе с товаром.
В случае, если по каким-либо причинам не удалось передать документы вместе с товаром, документы высылаем на почтовый адрес, указанный при оформлении.
Прием онлайн-заказов осуществляется круглосуточно.
Обработка заказов и физическая доставка осуществляются по рабочим дням, с 9 до 18 часов (по времени Нур-Султан).
Способы доставки
- Самовывоз (бесплатно)
- Курьерская доставка*
- Общественным транспортом (автобус, такси)*
*— доставка осуществляется бесплатно по Республике Казахстан.
- В случае непредвиденных обстоятельств, мешающих Вам получить заказ в выбранное время, необходимо связаться с нами по указанным контактам и определить другое время доставки.
- Если оператор не может дозвониться по указанному Вами телефону в течение 5-ти рабочих дней, Ваш заказ аннулируется. В случае невозможности дождаться звонка, пожалуйста, свяжитесь с нами самостоятельно по указанным контактам.
По договоренности с менеджером ТОО «КАСТОН» Вы сможете забрать свой заказ по адресу: город Караганда, ул. Памирская 48. Обратите внимание, что необходимо заранее сообщить о своем прибытии.
— Курьерская служба оставляет за собой право проверять правильность указанной Клиентом контактной информации.
— Курьер не уполномочен давать какие-либо консультации на технические или коммерческие темы, а также выполнять любые поручения клиента.
— Разгрузка и подъем габаритного груза осуществляется силами Заказчика, либо по договоренности с менеджером ТОО «КАСТОН»
— При получении товара в транспортной компании просьба предельно внимательно отнестись к проверке качества товара, а также к проверке на соответствие получаемого оборудования товарной накладной.
— В случае обнаружения механических повреждений и/или несоответствия количеству позиций товарной накладной необходимо составить коммерческий акт с подробной описью полученного товара. Составление коммерческого акта – непосредственная обязанность сотрудников транспортной компании. Копию акта вместе с подробными фотографиями необходимо в кратчайшие сроки (1-2 дня) отправить на info@kaston.kz, а также на почту вашего персонального менеджера.
— Претензии по поставке оборудования принимаются в срок не более 2 (двух) рабочих дней с момента получения оборудования.
Обращаем ваше внимание, что осуществление доставки – отдельная услуга, не являющаяся неотъемлемой частью приобретаемого Покупателем товара, выполнение которой заканчивается в момент получения клиентом товара и его оплаты.
Претензии к качеству приобретенного товара, возникшие после этого, рассматриваются в соответствии с Законом РК «О защите прав потребителей» и гарантийными обязательствами Продавца товара. В связи с этим приобретение товара с доставкой не дает Покупателю права требования доставки приобретенного товара в целях гарантийного обслуживания или замены, не дает возможности осуществлять гарантийное обслуживание или замену товара посредством выезда к Покупателю и не подразумевает возможности возврата стоимости доставки товара в случаях, когда Покупатель имеет право на возврат денег за товар как таковой, в соответствии с Законом РК «О защите прав потребителей».
При получении товара юридическими лицами необходима доверенность на право получения товарно-материальных ценностей (ТМЦ) на представителя покупателя при предъявлении документа, удостоверяющего личность.
При получении товара индивидуальными предпринимателями необходима печать или копия свидетельства о регистрации предпринимателя, копия удостоверения личности предпринимателя.
При получении товара доверенным лицом ИП, необходим оригинал доверенности, оформленной на лицо, получающее товар, копия свидетельства о регистрации предпринимателя, копия удостоверения личности предпринимателя, удостоверение личности доверенного лица.
При получении товара физическими лицами обязательным является предъявление удостоверения личности покупателя.
Документы
технологическое решение для вашего бизнеса.







