+7 (705) 571-80-30
г. Караганда, ул. Памирская, 48 zapros@kaston.kz
Избранное Сравнение
Описание
Характеристики
Преимущества
Оплата
Доставка

Описание

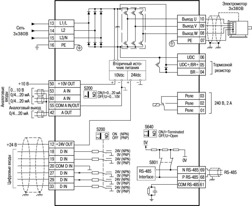
VLT® Micro Drive – привод семейства преобразователей частоты марки VLT® с непревзойденной надежностью, удобством в работе, функциональностью, подходящей для решения большинства задач, и в высшей степени легким вводом в эксплуатацию. Номера клемм обозначены, так же как и на других приводах серии VLT®. Он разработан и производится на предприятиях Danfoss Drives, ведущими экспертами приводной техники c 1968 г. и создателями марки VLT® – The Real Drive.

Основные функциональные возможности
  • ПИ-регулятор процесса
  • Автоматическая оптимизация энергопотребления
  • Автонастройка двигателя
  • 150%-ная перегрузка по моменту в течение 1 минуты
  • Подхват вращающегося двигателя Устойчивая работа – больше ресурс
  • Электронное тепловое реле (ЭТР)
  • Функции программируемого логического контроллера
  • Встроенный фильтр ВЧ-помех
  • Защита от к.з. на землю, перегрева, к.з. на выходе
Основные параметры
  •  Мощность: 3кВт
  • Входное напряжение (частота): 3 фазы, 380…480В (50/60Гц)
  • Выходное напряжение: 3 фазы, 0…100% (от напряжения на входе)
  • Номинальный выходной ток: 7.2А
  • Перегрузочная способность (в течении времени): 150% (60 с)
  • Режимы управления электродвигателем: скалярный (U/F), векторный (VC)
  • Выходная частота, Гц: 0…200 Гц(VC), 0…400 (U/F)
  • Тормозной ключ: встроен
  • Цифровые входы (в том числе импульсный): 5 (1)
  • Аналоговые входы: 2(1: 0…10В/4…20мА,1: 0…10В)
  • Аналоговые выходы: 1(4…20мА)
  • Релейные выходы: 1 (240 В, 2 А)
  • Протокол RS-485: Modbus RTU
  • Встроенные источники питания: 10В/15мА, 24В/130мА
  • Пульт управления: съемный, в комплект поставки не входит
  • Степень защиты: IP20
  • Диапазон рабочих температур: 0…40ºС
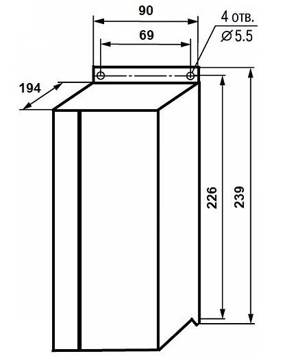
  • Габариты (ВхШхГ): 239х90х194мм
  • Вес: 3.0кг

Характеристики

Ток, А

7,2А

Вход

3х380В

Выход

3 фазы, 0…100% (от напряжения на входе)

Кол-во дискретных входов

5 (1)

Тип управления

Векторное управление с разомкнутым контуром, Скалярный (U/f)

Кол-во дискретных выходов

1 (релейный)

Кол-во аналоговых входов

2(1: 0…10В/4…20мА,1: 0…10В)

Кол-во аналоговых выходов

1(4…20мА)

Мощность

3 кВт

Степень защиты оболочки, IP

20

Встроенные коммуникационные интерфейсы

RS485 (MODBUS SERIAL)

Температура эксплуатации, °C

0…40

Перегрузочная способность

150 % (60 с)

Тормозной прерыватель

Да

Вес, кг

3,0

Режим многоскоростного управления

Да

Гарантия

13 месяцев

Управление внешним тормозом

Нет

Габариты (ВхШхГ), мм

239х90х194

Функция синхронизации

Нет

Функция анти-раскачки

Нет

Применение

Общепромышленное

Пульт управления

Нет (доступно к заказу в качестве опции)

Кастон — самый выгодный частотный привод!

  • Выгодная цена
  • Самый большой выбор со склада в Казахстане
  • Свой сервисный центр, полная техподдержка навсегда
  • Возврат или замена за наш счет
  • Бесплатная доставка из рук в руки

Способы оплаты

  • Безналичный перевод по выставленному счету на оплату
  • Безналичный перевод с банковской карты
  • Наличный расчет в нашем офисе при получении товара

Бухгалтерские документы высылаем с товаром. В случае оплаты безналичным расчетом доставка товара производится после подтверждения транзакции банком ТОО «КАСТОН». После получения подтверждения с Вами свяжется наш менеджер.

В случае возникновения вопросов, пожалуйста, обращайтесь любым удобным для Вас способом по указанным контактам.

Для оформления сделки Вам нужен договор. Как его получить?

При оформлении заказа, Вы сообщаете менеджеру ТОО «КАСТОН» о необходимости заключения Договора. ТОО «КАСТОН» предоставляет на рассмотрение свой шаблон, либо принимает на рассмотрение Ваш.

Как получить бухгалтерские документы?

Бухгалтерские документы предоставляются по всем оплаченным заказам.
При физической доставке товара, бухгалтерские документы Вы получите вместе с товаром.
В случае, если по каким-либо причинам не удалось передать документы вместе с товаром, документы высылаем на почтовый адрес, указанный при оформлении.

График работы интернет-магазина ТОО "КАСТОН"

Прием онлайн-заказов осуществляется круглосуточно.
Обработка заказов и физическая доставка осуществляются по рабочим дням, с 9 до 18 часов (по времени Нур-Султан).

Способы доставки

  • Самовывоз (бесплатно)
  • Курьерская доставка*
  • Общественным транспортом (автобус, такси)*

*— доставка осуществляется бесплатно по Республике Казахстан.

  • В случае непредвиденных обстоятельств, мешающих Вам получить заказ в выбранное время, необходимо связаться с нами по указанным контактам и определить другое время доставки.
  • Если оператор не может дозвониться по указанному Вами телефону в течение 5-ти рабочих дней, Ваш заказ аннулируется. В случае невозможности дождаться звонка, пожалуйста, свяжитесь с нами самостоятельно по указанным контактам.
Условия самовывоза

По договоренности с менеджером ТОО «КАСТОН» Вы сможете забрать свой заказ по адресу: город Караганда, ул. Памирская 48. Обратите внимание, что необходимо заранее сообщить о своем прибытии.

Условия курьерской доставки

— Курьерская служба оставляет за собой право проверять правильность указанной Клиентом контактной информации.

— Курьер не уполномочен давать какие-либо консультации на технические или коммерческие темы, а также выполнять любые поручения клиента.

— Разгрузка и подъем габаритного груза осуществляется силами Заказчика, либо по договоренности с менеджером ТОО «КАСТОН»

Особенности получения товара при доставке через транспортную компанию

— При получении товара в транспортной компании просьба предельно внимательно отнестись к проверке качества товара, а также к проверке на соответствие получаемого оборудования товарной накладной.

— В случае обнаружения механических повреждений и/или несоответствия количеству позиций товарной накладной необходимо составить коммерческий акт с подробной описью полученного товара. Составление коммерческого акта – непосредственная обязанность сотрудников транспортной компании. Копию акта вместе с подробными фотографиями необходимо в кратчайшие сроки (1-2 дня) отправить на  info@kaston.kz, а также на почту вашего персонального менеджера.

— Претензии по поставке оборудования принимаются в срок не более 2 (двух) рабочих дней с момента получения оборудования.

Обращаем ваше внимание, что осуществление доставки – отдельная услуга, не являющаяся неотъемлемой частью приобретаемого Покупателем товара, выполнение которой заканчивается в момент получения клиентом товара и его оплаты.

Претензии к качеству приобретенного товара, возникшие после этого, рассматриваются в соответствии с Законом РК «О защите прав потребителей» и гарантийными обязательствами Продавца товара. В связи с этим приобретение товара с доставкой не дает Покупателю права требования доставки приобретенного товара в целях гарантийного обслуживания или замены, не дает возможности осуществлять гарантийное обслуживание или замену товара посредством выезда к Покупателю и не подразумевает возможности возврата стоимости доставки товара в случаях, когда Покупатель имеет право на возврат денег за товар как таковой, в соответствии с Законом РК «О защите прав потребителей».

Получение и прием товара юридическими лицами

При получении товара юридическими лицами необходима доверенность на право получения товарно-материальных ценностей (ТМЦ) на представителя покупателя при предъявлении документа, удостоверяющего личность.

Получение и прием товара индивидуальными предпринимателями

При получении товара индивидуальными предпринимателями необходима печать или копия свидетельства о регистрации предпринимателя, копия удостоверения личности предпринимателя.
При получении товара доверенным лицом ИП, необходим оригинал доверенности, оформленной на лицо, получающее товар, копия свидетельства о регистрации предпринимателя, копия удостоверения личности предпринимателя, удостоверение личности доверенного лица.

Получение и прием товара физическими лицами

При получении товара физическими лицами обязательным является предъявление удостоверения личности покупателя.

Документы

PDF FC-51_Micro_Drive
899.65 Кб
Скачать
PDF Danfoss FC-51_Install
8 Мб
Скачать
PDF Danfoss FC-51_Programming
1.28 Мб
Скачать
Нужна консультация?
Оставьте заявку, и мы подберем лучшее
технологическое решение для вашего бизнеса.