При оформлении заказа, Вы сообщаете менеджеру ТОО «КАСТОН» о необходимости заключения Договора. ТОО «КАСТОН» предоставляет на рассмотрение свой шаблон, либо принимает на рассмотрение Ваш.
Описание
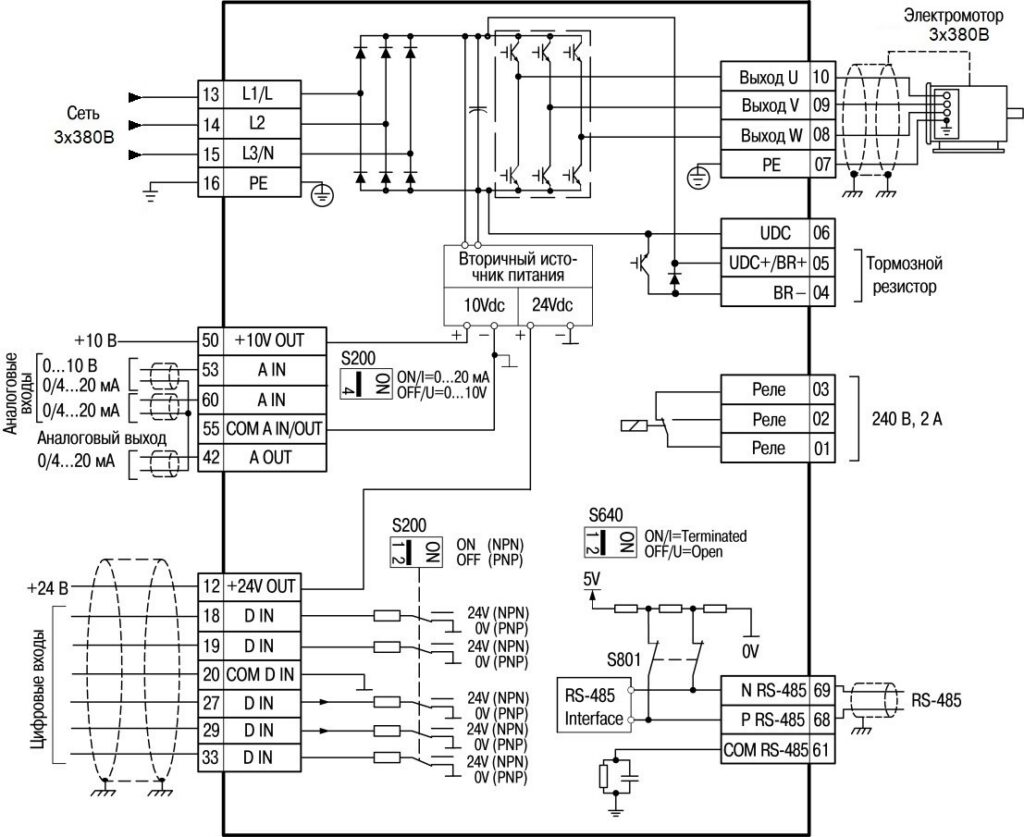
VLT® Micro Drive – привод семейства преобразователей частоты марки VLT® с непревзойденной надежностью, удобством в работе, функциональностью, подходящей для решения большинства задач, и в высшей степени легким вводом в эксплуатацию. Номера клемм обозначены, так же как и на других приводах серии VLT®. Он разработан и производится на предприятиях Danfoss Drives, ведущими экспертами приводной техники c 1968 г. и создателями марки VLT® – The Real Drive.
- ПИ-регулятор процесса
- Автоматическая оптимизация энергопотребления
- Автонастройка двигателя
- 150%-ная перегрузка по моменту в течение 1 минуты
- Подхват вращающегося двигателя Устойчивая работа – больше ресурс
- Электронное тепловое реле (ЭТР)
- Функции программируемого логического контроллера
- Встроенный фильтр ВЧ-помех
- Защита от к.з. на землю, перегрева, к.з. на выходе
- Мощность: 18.5кВт
- Входное напряжение (частота): 3 фазы, 380…480В (50/60Гц)
- Выходное напряжение: 3 фазы, 0…100% (от напряжения на входе)
- Номинальный выходной ток: 37.0А
- Перегрузочная способность (в течении времени): 150% (60 с)
- Режимы управления электродвигателем: скалярный (U/F), векторный (VC)
- Выходная частота, Гц: 0…200 Гц(VC), 0…400 (U/F)
- Тормозной ключ: встроен
- Цифровые входы (в том числе импульсный): 5 (1)
- Аналоговые входы: 2(1: 0…10В/4…20мА,1: 0…10В)
- Аналоговые выходы: 1(4…20мА)
- Релейные выходы: 1 (240 В, 2 А)
- Протокол RS-485: Modbus RTU
- Встроенные источники питания: 10В/15мА, 24В/130мА
- Пульт управления: съемный, в комплект поставки не входит
- Степень защиты: IP20
- Диапазон рабочих температур: 0…40ºС
- Габариты (ВхШхГ): 335х165х248мм
- Вес: 9.5кг
Характеристики
37,0А
3х380В
3 фазы, 0…100% (от напряжения на входе)
5 (1)
Векторное управление с разомкнутым контуром, Скалярный (U/f)
1 (релейный)
2(1: 0…10В/4…20мА,1: 0…10В)
1(4…20мА)
18,5 кВт
20
RS485 (MODBUS SERIAL)
0…40
150 % (60 с)
Да
9,5
Да
13 месяцев
Нет
335х165х248
Нет
Нет
Общепромышленное
Нет (доступно к заказу в качестве опции)
Кастон — самый выгодный частотный привод!
- Выгодная цена
- Самый большой выбор со склада в Казахстане
- Свой сервисный центр, полная техподдержка навсегда
- Возврат или замена за наш счет
- Бесплатная доставка из рук в руки
Способы оплаты
- Безналичный перевод по выставленному счету на оплату
- Безналичный перевод с банковской карты
- Наличный расчет в нашем офисе при получении товара
Бухгалтерские документы высылаем с товаром. В случае оплаты безналичным расчетом доставка товара производится после подтверждения транзакции банком ТОО «КАСТОН». После получения подтверждения с Вами свяжется наш менеджер.
В случае возникновения вопросов, пожалуйста, обращайтесь любым удобным для Вас способом по указанным контактам.
Бухгалтерские документы предоставляются по всем оплаченным заказам.
При физической доставке товара, бухгалтерские документы Вы получите вместе с товаром.
В случае, если по каким-либо причинам не удалось передать документы вместе с товаром, документы высылаем на почтовый адрес, указанный при оформлении.
Прием онлайн-заказов осуществляется круглосуточно.
Обработка заказов и физическая доставка осуществляются по рабочим дням, с 9 до 18 часов (по времени Нур-Султан).
Способы доставки
- Самовывоз (бесплатно)
- Курьерская доставка*
- Общественным транспортом (автобус, такси)*
*— доставка осуществляется бесплатно по Республике Казахстан.
- В случае непредвиденных обстоятельств, мешающих Вам получить заказ в выбранное время, необходимо связаться с нами по указанным контактам и определить другое время доставки.
- Если оператор не может дозвониться по указанному Вами телефону в течение 5-ти рабочих дней, Ваш заказ аннулируется. В случае невозможности дождаться звонка, пожалуйста, свяжитесь с нами самостоятельно по указанным контактам.
По договоренности с менеджером ТОО «КАСТОН» Вы сможете забрать свой заказ по адресу: город Караганда, ул. Памирская 48. Обратите внимание, что необходимо заранее сообщить о своем прибытии.
— Курьерская служба оставляет за собой право проверять правильность указанной Клиентом контактной информации.
— Курьер не уполномочен давать какие-либо консультации на технические или коммерческие темы, а также выполнять любые поручения клиента.
— Разгрузка и подъем габаритного груза осуществляется силами Заказчика, либо по договоренности с менеджером ТОО «КАСТОН»
— При получении товара в транспортной компании просьба предельно внимательно отнестись к проверке качества товара, а также к проверке на соответствие получаемого оборудования товарной накладной.
— В случае обнаружения механических повреждений и/или несоответствия количеству позиций товарной накладной необходимо составить коммерческий акт с подробной описью полученного товара. Составление коммерческого акта – непосредственная обязанность сотрудников транспортной компании. Копию акта вместе с подробными фотографиями необходимо в кратчайшие сроки (1-2 дня) отправить на info@kaston.kz, а также на почту вашего персонального менеджера.
— Претензии по поставке оборудования принимаются в срок не более 2 (двух) рабочих дней с момента получения оборудования.
Обращаем ваше внимание, что осуществление доставки – отдельная услуга, не являющаяся неотъемлемой частью приобретаемого Покупателем товара, выполнение которой заканчивается в момент получения клиентом товара и его оплаты.
Претензии к качеству приобретенного товара, возникшие после этого, рассматриваются в соответствии с Законом РК «О защите прав потребителей» и гарантийными обязательствами Продавца товара. В связи с этим приобретение товара с доставкой не дает Покупателю права требования доставки приобретенного товара в целях гарантийного обслуживания или замены, не дает возможности осуществлять гарантийное обслуживание или замену товара посредством выезда к Покупателю и не подразумевает возможности возврата стоимости доставки товара в случаях, когда Покупатель имеет право на возврат денег за товар как таковой, в соответствии с Законом РК «О защите прав потребителей».
При получении товара юридическими лицами необходима доверенность на право получения товарно-материальных ценностей (ТМЦ) на представителя покупателя при предъявлении документа, удостоверяющего личность.
При получении товара индивидуальными предпринимателями необходима печать или копия свидетельства о регистрации предпринимателя, копия удостоверения личности предпринимателя.
При получении товара доверенным лицом ИП, необходим оригинал доверенности, оформленной на лицо, получающее товар, копия свидетельства о регистрации предпринимателя, копия удостоверения личности предпринимателя, удостоверение личности доверенного лица.
При получении товара физическими лицами обязательным является предъявление удостоверения личности покупателя.
Документы
технологическое решение для вашего бизнеса.







